


- 产品描述
-
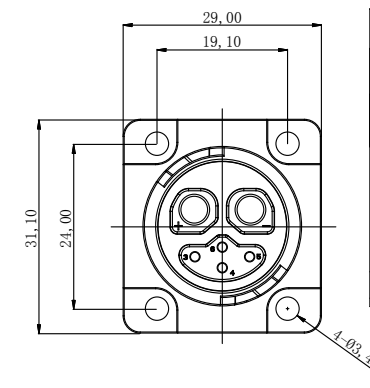
- 商品名称: M23 2+4/2+1+5芯锂电池50A防水转换器储能电源连接器
在当今快速发展的新能源与户外探险领域,高效、安全、可靠的电力解决方案成为了不可或缺的装备之一。特别是在野外探险、露营、紧急救援或是专业户外作业中,一款性能卓越的储能电源及其配套连接器显得尤为重要。本文将详细介绍一款集高性能、多芯配置、大电流支持及防水功能于一体的M23 2+4/2+1+5芯锂电池50A防水转换器储能电源连接器,为您的户外探险或专业应用提供坚实保障。
一、产品概述
M23系列连接器以其坚固耐用、接触可靠而著称,广泛应用于工业自动化、汽车制造及新能源领域。此款M23 2+4/2+1+5芯锂电池50A防水转换器储能电源连接器专为高能量密度锂电池组设计,不仅支持高达50A的大电流传输,还具备IP67级别的防水防尘能力,确保在各种恶劣环境下仍能稳定工作。其独特的2+4/2+1+5芯配置,提供了灵活多变的电力分配方案,满足多样化用电需求。
二、核心特性解析
**1. 大电流传输能力**
50A的持续工作电流,意味着该连接器能够轻松应对大功率设备的即时启动需求,如电动工具、户外照明系统或是高性能无人机等。这一特性极大地拓宽了其应用场景,无论是专业作业还是休闲娱乐,都能提供充足的动力支持。
**2. 防水防尘设计**
IP67级防水防尘认证,意味着该连接器能够有效抵御雨水、尘土等外界因素的侵蚀,确保在雨雪天气或沙尘暴等极端环境下仍能正常工作。这对于户外探险者而言,无疑是一大福音,大大提升了户外活动的安全性和便利性。
**3. 多芯配置,灵活应用**
2+4/2+1+5芯的设计,不仅提供了充足的电力传输通道,还允许用户根据实际需要灵活配置电力输出。无论是需要同时为多个设备供电,还是仅对单一高功耗设备提供电力,都能通过调整芯线使用,实现高效能源管理。
**4. 安全可靠,易于维护**
采用高品质材料制造,确保连接器具有良好的耐高温、耐磨损性能,长期使用下仍能保持良好的接触性能和密封效果。同时,设计有便捷的拆装结构,便于用户在必要时进行快速检查和维护,延长使用寿命。
三、应用领域
- **户外探险**:为露营、徒步、攀岩等户外活动提供持久电力,支持GPS导航、照明设备、通讯工具等关键装备运行。
- **紧急救援**:在自然灾害、交通事故等紧急情况下,为救援设备如搜索灯、切割机、通讯系统等提供稳定电力来源。
- **专业作业**:适用于建筑工地、农业作业、影视拍摄等场景,为电动工具、摄影器材、移动工作站等提供高效电力支持。
- **新能源汽车**:作为辅助电源连接器,用于电动汽车的快速充电站、维修工具车等,满足高电流传输需求。
四、结语
M23 2+4/2+1+5芯锂电池50A防水转换器储能电源连接器,凭借其卓越的性能、灵活的配置以及出色的环境适应性,已成为众多户外探险者、专业作业人员及新能源汽车行业信赖的选择。它不仅解决了户外电力供应的难题,更为推动新能源技术的普及和应用贡献了一份力量。未来,随着技术的不断进步和应用场景的持续拓展,相信这类高性能连接器将发挥出更加广泛而重要的作用,引领我们迈向更加便捷、高效、绿色的生活方式。


在当今快速发展的新能源与户外探险领域,高效、安全、可靠的电力解决方案成为了不可或缺的装备之一。特别是在野外探险、露营、紧急救援或是专业户外作业中,一款性能卓越的储能电源及其配套连接器显得尤为重要。本文将详细介绍一款集高性能、多芯配置、大电流支持及防水功能于一体的M23 2+4/2+1+5芯锂电池50A防水转换器储能电源连接器,为您的户外探险或专业应用提供坚实保障。
一、产品概述
M23系列连接器以其坚固耐用、接触可靠而著称,广泛应用于工业自动化、汽车制造及新能源领域。此款M23 2+4/2+1+5芯锂电池50A防水转换器储能电源连接器专为高能量密度锂电池组设计,不仅支持高达50A的大电流传输,还具备IP67级别的防水防尘能力,确保在各种恶劣环境下仍能稳定工作。其独特的2+4/2+1+5芯配置,提供了灵活多变的电力分配方案,满足多样化用电需求。
二、核心特性解析
**1. 大电流传输能力**
50A的持续工作电流,意味着该连接器能够轻松应对大功率设备的即时启动需求,如电动工具、户外照明系统或是高性能无人机等。这一特性极大地拓宽了其应用场景,无论是专业作业还是休闲娱乐,都能提供充足的动力支持。
**2. 防水防尘设计**
IP67级防水防尘认证,意味着该连接器能够有效抵御雨水、尘土等外界因素的侵蚀,确保在雨雪天气或沙尘暴等极端环境下仍能正常工作。这对于户外探险者而言,无疑是一大福音,大大提升了户外活动的安全性和便利性。
**3. 多芯配置,灵活应用**
2+4/2+1+5芯的设计,不仅提供了充足的电力传输通道,还允许用户根据实际需要灵活配置电力输出。无论是需要同时为多个设备供电,还是仅对单一高功耗设备提供电力,都能通过调整芯线使用,实现高效能源管理。
**4. 安全可靠,易于维护**
采用高品质材料制造,确保连接器具有良好的耐高温、耐磨损性能,长期使用下仍能保持良好的接触性能和密封效果。同时,设计有便捷的拆装结构,便于用户在必要时进行快速检查和维护,延长使用寿命。
三、应用领域
- **户外探险**:为露营、徒步、攀岩等户外活动提供持久电力,支持GPS导航、照明设备、通讯工具等关键装备运行。
- **紧急救援**:在自然灾害、交通事故等紧急情况下,为救援设备如搜索灯、切割机、通讯系统等提供稳定电力来源。
- **专业作业**:适用于建筑工地、农业作业、影视拍摄等场景,为电动工具、摄影器材、移动工作站等提供高效电力支持。
- **新能源汽车**:作为辅助电源连接器,用于电动汽车的快速充电站、维修工具车等,满足高电流传输需求。
四、结语
M23 2+4/2+1+5芯锂电池50A防水转换器储能电源连接器,凭借其卓越的性能、灵活的配置以及出色的环境适应性,已成为众多户外探险者、专业作业人员及新能源汽车行业信赖的选择。它不仅解决了户外电力供应的难题,更为推动新能源技术的普及和应用贡献了一份力量。未来,随着技术的不断进步和应用场景的持续拓展,相信这类高性能连接器将发挥出更加广泛而重要的作用,引领我们迈向更加便捷、高效、绿色的生活方式。
*注:请务必信息填写准确,并保持通讯畅通,我们会尽快与你取得联系